一品威客小姐全国信息论坛,广州一品香论坛_ypx登录,桃花源qm花论坛(品茶),全国同城凤凰楼信息茶楼

欢迎访问杭州精显科技有限公司液晶显示屏网站! 设为首页 | 收藏本站| 网站地图
全国统一服务热线
15382323032

技术知识

您只需一个电话我们将推荐性价比高的液晶屏产品选型,让您花合理的价格,达到预期的效果

全国统一服务热线
15382323032

产品动态

联系我们

全国统一服务热线:

15382323032

客服QQ:3234659108

手机:15382323032

地址:浙江省杭州市余杭区五常街道西溪软件园金牛座B2座4层4118-4119

当前位置: 主页 > 资讯中心 > 技术知识 >

lcd12864中文显示程序流程图

文章出处:未知 人气:发表时间:2018-07-11

我们常用的人机交互显示界面中,除了数码管,LED,以及我们之前已经提到的LCD1602之外,还有一种液晶屏用的比较多。相信接触过单片机的朋友都知道了,那就是12864液晶。顾名思义,12864表示其横向可以显示128个点,纵向可以显示64个点。我们常用的12864液晶??橹杏写挚獾?,也有不带字库的,其控制芯片也有很多种,如KS0108、T6963,ST7920等等。在这里我们以ST7920为主控芯片的12864液晶屏来学习如何去驱动它。(液晶屏采用金鹏的OCMJ4X8C)。
lcd12864中文显示程序流程图
 
lcd12864液晶说明:
 
我们先来了解一下它的并行连接情况。下面是电路连接图:
lcd12864中文显示程序流程图
 
上面的图可以看出,液晶??楹偷テ牧映薖0口的8位并行数据线之外,还有RS,RW,E等几根线。其中R/S是指令和数据寄存器的选择控制线(串行模式下为片?。?,R/W是读写控制线(串行模式下是数据线),E是使能线(串行模式下为时钟线)。
 
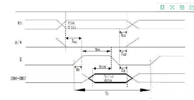
通过这几根控制线和数据线,再结合它的时序图,我们就可以编写出相应的驱动程序啦??纯床⑿心J较碌男词毙蛲迹?/div>
 
lcd12864中文显示程序流程图
根据这个时序图,我们就可以写出写数据或者写命令到LCD12864液晶的子程序。读时序图如下:
 
lcd12864中文显示程序流程图
根据这个时序图我们就可以从LCD12864液晶??槟诓縍AM中读出相应的数据,我们的忙检测函数就是根据这个时序图写出来的。

lcd12864程序流程图:.
 
lcd12864中文显示程序流程图
lcd12864初始化流程图
lcd12864中文显示程序流程图
lcd12864相关资讯:

lcd12864工作原理

12864显示汉字程序

lcd12864基本参数

上一篇:lcd12864工作原理 下一篇:LCD12864电路接法

群创液晶屏 友达液晶屏 京东方液晶屏 京瓷液晶屏 龙腾液晶屏 天马液晶屏 奇美液晶屏 三菱液晶屏